Газоанализатор «ЭКОЛАБ ПЛЮС» — стационарное взрывозащищённое решение для непрерывного контроля концентрации опасных газов на промышленных объектах. Прибор обеспечивает надёжный мониторинг, сигнализацию превышений и интеграцию в системы промышленной и противоаварийной безопасности.
Основные сведения
- Взрывозащищённое исполнение для работы во взрывоопасных зонах категорий A, Б, В1–В4 и Г.
- Поддержка различных типов сенсоров: ЭХ, ТК, ПП, ОПТ, ФИД.
- Диффузионный отбор пробы без насосов и пробоподготовки.
- Защищённый корпус IP66/IP67 для тяжёлых условий эксплуатации.
- Интерфейсы RS-485, 4–20 мА, HART, Bluetooth и релейные выходы.
- Рабочая температура от –60 до +90 °C

Стационарный газоанализатор «ЭКОЛАБ ПЛЮС» представляет собой современное и надёжное средство автоматического контроля атмосферного воздуха, воздуха рабочей зоны на промышленных объектах. Это устройство разработано для непрерывного измерения концентрации различных химических веществ (более 300), включая вредные и опасные газы, в широком спектре условий — от закрытых производственных помещений до открытых площадок.
Стационарные газоанализаторы «ЭКОЛАБ+» позволяет оперативно выявлять превышения допустимых концентраций, тем самым обеспечивая санитарно-эпидемиологическую безопасность персонала и соблюдение экологических норм. Устройство активно используется как в рамках текущего контроля, так и для анализа промышленных выбросов, помогая предотвращать аварийные ситуации и нарушения технологических процессов.
Стационарный газоанализатор «ЭКОЛАБ ПЛЮС» внесён в Государственный реестр средств измерений и официально допущен к применению на территории Российской Федерации. Его соответствие установленным стандартам подтверждено сертификатом об утверждении типа, выданным Федеральным агентством по техническому регулированию и метрологии.
Газоанализатор соответствует требованиям Технических регламентов Таможенного союза:
- ТР ТС 004/2011 «О безопасности низковольтного оборудования».
- ТР ТС 020/2011 «Электромагнитная совместимость технических средств».
- ТР ТС 012/2011 «О безопасности оборудования для работы во взрывоопасных средах».
- Газоанализатор сохраняет работоспособность при воздействии на него индустриальных радиопомех, не превышающих норм, предусмотренных «Национальным стандартом Российской Федерации. Радиопомехи индустриальные. Термины и определения» (ГОСТ Р 55055- 2012) и не является их источником.
Отличительные особенности стационарного газоанализатора «ЭКОЛАБ ПЛЮС»
1. Взрывозащищённое исполнение
Оборудование выполнено в соответствии с требованиями промышленной безопасности и имеет маркировку взрывозащиты 1Ex db IIC T4/T5/T6 Gb X, что позволяет его эксплуатацию в потенциально взрывоопасных зонах. Такая защита делает газоанализатор особенно востребованным на объектах нефтегазового комплекса, химических производствах и других опасных предприятиях.
2. Надёжность в экстремальных условиях
Конструкция устройства выполнена с учётом повышенных требований к герметичности: степень пыле- и влагозащиты соответствует уровням IP66/67. Это обеспечивает устойчивость газоанализатора к воздействию агрессивной окружающей среды, включая пыль, влажность и механические нагрузки.
3. Широкие возможности интеграции
Стационарный газоанализатор «ЭКОЛАБ+» легко встраивается в существующие системы промышленной автоматизации (АСУ ТП). Он поддерживает:
-
цифровой интерфейс RS-485,
-
аналоговую токовую петлю 4–20 мА,
-
протокол HART для взаимодействия с системами верхнего уровня,
-
Bluetooth — в режиме технической диагностики и настройки параметров.
Дополнительно предусмотрена возможность подключения исполнительных механизмов или устройств сигнализации, что расширяет функциональность газоанализатора и повышает оперативность реагирования на превышения предельно допустимых концентраций.
4. Автономность и точность измерений
«ЭКОЛАБ ПЛЮС» функционирует как самостоятельное средство мониторинга качества воздуха, не требующее постоянного участия оператора. Высокоточные сенсоры обеспечивают достоверные результаты измерений, способствуя точной оценке содержания газов в режиме реального времени.
5. Совместимость с блоками контроля
Для организации группового мониторинга газоанализатор может быть интегрирован с информационным блоком (БИ), разработанным специалистами ООО «НПО «ПРИБОР» ГАНК». Такая связка особенно эффективна на крупных производственных площадках, где требуется централизованный контроль нескольких точек замеров.
Сферы применения стационарных газоанализаторов «ЭКОЛАБ ПЛЮС»
Широкая функциональность и высокий уровень защиты делают газоанализатор «ЭКОЛАБ ПЛЮС» универсальным решением для различных отраслей промышленности. Он активно применяется в следующих сферах:
-
Нефтегазовая промышленность: контроль утечек углеводородов и других взрывоопасных газов, мониторинг концентрации сероводорода и угарного газа в установках первичной и вторичной переработки нефти и газа.
-
Химическая и нефтехимическая отрасли: обеспечение безопасности технологических процессов, контроль выбросов токсичных соединений.
-
Металлургия и энергетика: контроль воздушной среды в цехах, котельных установках, турбинных и компрессорных отделениях.
-
Горно-добывающая промышленность: определение содержания метана и других горючих газов в шахтах, рудниках, вентиляционных выработках.
-
Машиностроение и производство: защита рабочих зон от вредных газов при работе с лаками, красками, растворителями, а также в процессе сварки и пайки.
-
Объекты водоочистки и канализации: определение концентрации аммиака, сероводорода и других соединений, образующихся в процессе очистки сточных вод.
-
Складские и логистические комплексы: мониторинг воздуха на наличие паров химикатов и токсичных веществ при хранении опасных грузов.
-
Деревообрабатывающая промышленность: выявление концентраций древесной пыли, формальдегида, летучих органических соединений и продуктов горения.
-
Сельское хозяйство: контроль содержания аммиака, метана и других газов в помещениях для содержания скота, хранилищах зерна и силосных башнях.
-
Спиртовая промышленность: мониторинг утечек паров этанола и других летучих органических соединений, контроль концентраций газов в процессе брожения и ректификации.
-
Целлюлозно-бумажные производства: контроль за выбросами сернистых соединений, аммиака, формальдегида и других химических веществ, характерных для этого сектора.
Газоанализатор «ЭКОЛАБ ПЛЮС» — это высокотехнологичное решение, ориентированное на обеспечение безопасности и соблюдение экологических норм на промышленных объектах. Благодаря прочной конструкции, взрывозащищённому исполнению и расширенным возможностям подключения, устройство уверенно занимает своё место в системе промышленного мониторинга окружающей среды.
Если вам необходим надёжный инструмент для точного контроля загазованности — «ЭКОЛАБ ПЛЮС» станет оптимальным выбором.
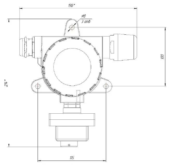
Устройство газоанализатора с установленным датчиком
C установленным датчиком
- корпус газоанализатора;
- крышка корпуса газоанализатора;
- кабельные гермовводы;
- проушина крепления газоанализатора;
- цифровой индикатор газоанализатора;
- место установки датчика;
- крышка отсека установки датчика.
Cо светозвуковым оповещателем
- корпус газоанализатора;
- крышка корпуса газоанализатора;
- кабельный гермоввод;
- светозвуковой оповещатель.
Устройство датчиков
- «дыхательное» окно датчика;
- наименование контролируемого вещества;
- серийный номер датчика;
- разъем для подключения датчика к газоанализатору;
- цветовая маркировка диапазона измерения датчика.
Цветовое отличие датчиков (сенсоров) от типа и концентрации анализируемого вещества
Габаритные размеры датчика газоанализатора
Схема подключения газоаналитической системы ЭКОЛАБ ПЛЮС
Примечания:
- Маркировка взрывозащиты выносных датчиков - 1Ex db IIB T4 Gb X.
- Возможный вариант клеммной коробки:
- для взрывоопасной зоны: Коробка коммутационная взрывозащищенная КВМК Ехе-А-101608 алюм. корпус, три ввода под бронированный кабель диам. 12,5-20,9мм: ввод А(1КВ М20Б-Л)-ввод В(1КВ М20Б-Л)-вводС(1КВ М20Б-Л)-(клеммы 15х2,5ммП),маркировка 1ЕхеbIIСТ6GbХ, IP66/67, размер корпуса 100х160х81мм;
- общепромышленное исп.: Коробка коммутационная общепромышленная КВОП-А-101608(А(1КВ М20Б-Л)-В(1КВ М20Б-Л)-С(1КВ М20Б-Л)-(15х2,5ммП), IP66/67, размер корпуса 100х160х81мм/
- У выносных датчиков с постами СЗО релейные выходы Р1Р2 заняты.
- Потребляемая мощность одного выносного датчика 3Вт, с постом СЗО - 4Вт. Для предложенного кабеля сечением 1,1мм2 от головного устройства возможно запитать до 10 датчиков общей протяженностью линии до 300м.
Измеряемые вещества ЭКОЛАБ ПЛЮС |
Показать полный список
|
Технические характеристики
| Характеристика | Значение |
|---|---|
| Напряжение питания, (В) | 10 ÷ 32 ±5 % |
| Время установления показаний, (T90): | |
| с оптическим (ОПТ) сенсором, ДВК газов и паров, на метан, (с) | ≤ 5 |
| с оптическим (ОПТ) сенсором, ДВК газов и паров, кроме метана, (с) | ≤ 10 |
| с термокаталитическим (ТК) сенсором, (с) | ≤ 10 |
| с электрохимическим сенсором (ЭХ) (кислород), (с) | ≤ 30 |
| с электрохимическим сенсором (ЭХ) (кроме кислорода), (с) | ≤ 45 |
| с фотоионизационным (ФИД) сенсором, (с) | ≤ 30 |
| с полупроводниковым (ПП) сенсором, (с) | ≤ 20 |
| Время выхода на рабочий режим, (мин) | ≤ 2 |
| Время срабатывания сигнализации, (с) | ≤ 30 |
| Габаритные размеры (ДхШхВ), (мм) | 215×94×145 |
Передача измеряемой информации осуществляется по:
|
|
| Газоанализатор должен формировать выходной сигнал постоянного тока (4 – 20) мА по ГОСТ 26.011-80, пропорциональный измеренному значению концентрации контролируемого вещества со следующими характеристиками: | |
| Допустимое сопротивление нагрузки, Ом | ≤ 500 |
| Пульсация напряжения при нагрузке 50 Ом, мВ | ≤ 6 |
| Масса, для газоанализаторов с корпусом из: | |
| нержавеющей стали, (кг) | ≤ 4,8 |
| алюминия, (кг) | ≤ 2,3 |
| Потребляемая мощность, (Вт) | 2,1 ÷ 4,5 |
| Средний срок службы (без учета сенсоров), (лет) | ≤ 12 |
| Средняя наработка на отказ, (ч) | ≤ 100 000 |
| Метод забора пробы: | диффузионный |
| РАБОЧИЕ ПАРАМЕТРЫ ОКРУЖАЮЩЕЙ СРЕДЫ ГАЗОАНАЛИЗАТОРА | |
| Температура окружающего воздуха1 , °С | от - 60 до +90 |
| Атмосферное давление, кПа / мм рт.ст. | от 80 до 106,7 / от 600 до 800 |
| Относительная влажность воздуха без конденсации влаги при 25°C, % | до 100 |
| 1 Для газоанализаторов : − с электрохимическим сенсором до температур не ниже - 40 ºС; − с электрохимическим и фотоионизационным сенсорами до температур не выше + 60 ºС |
|
Комплект поставки стационарного газоанализатора ЭКОЛАБ ПЛЮС
| Наименование | Кол-во (шт.) |
|---|---|
| Газоанализатор | 1 |
| Пульт ДУ | 1 |
| Светозвуковой оповещатель* (опционально) | N |
| Распределительный короб* (опционально) | N |
| Преобразователь USB-RS485* (опционально) | 1 |
| Кабель интерфейсный RS-485* (опционально) | 1 |
| Паспорт ЦГНР.1021.00.00.000 ПС | 1 |
| Руководство по эксплуатации ЦГНР.1021.00.00.000 РЭ | 1 |
| Методика поверки МП-274/04-2021 с изменением № 1 | 1 |
* - Количество светозвуковых оповещателей, распределительных коробов и длина интерфейсного кабеля определяются положениями Договора поставки.
Чтобы приобрести понравившийся товар, необходимо его заказать. Есть несколько сценариев того, как это можно сделать.
- Выбрать понравившийся товар и нажать кнопку «Заказать». При оформлении заказа заполнить форму. Вписать информацию в поля: ФИО, телефон и e-mail. Затем вам перезвонит менеджер, чтобы подтвердить ваше согласие на совершение покупки.
- Выбрать понравившийся товар и нажать кнопку «В корзину». Затем перейти в корзину и нажать «Оформить заказ». Далее заполнить форму с контактными данными и отправить заявку. С вами свяжется менеджер для дальнейшего обсуждения.
- Перейти в карточку товара и нажать «Купить в один клик». После нажатия нужно заполнить форму и отправить заявку. С вами свяжется менеджер для дальнейшего обсуждения.
Безналичный расчет (оплата по счёту). Форма расчета: предоплата 50%. Оставшаяся сумма перечисляется на счет Поставщика в течение 5 (Пяти) рабочих дней после уведомления о готовности Товара к отгрузке. Работаем только с юридическими лицами. Иные условия оплаты согласовываются с менеджером после получения официального запроса (заявки).
Самовывоз со склада г. Москва. Доставка продукции осуществляется путём самовывоза со склада Поставщика, расположенного по адресу: г. Москва, ул. Ибрагимова, д. 31, корп. 10. Для получения товара необходимо предоставить доверенность от организации или иметь при себе печать.
Доставка транспортной компанией. Стоимость данной услуги будет зависеть от веса/габаритов груза, пункта назначения и будет включена в стоимость товара.
Наши контакты
Услуги
Компания ООО "НПО "ПРИБОР" ГАНК" предлагает свои услуги по прохождению государственной поверки газоанализаторов и приборов газового контроля. Наша лаборатория оснащена современным оборудованием и поверочно-газовыми средами для прохождения поверки газоанализаторов всех видов, переносных и стационарных моделей. Мы имеем возможность поверять газоанализаторы на широкий перечень горючих и токсичных газов. Наша лаборатория позволяет поверить более 200 измеряемых веществ (газов), что обеспечивает нашим клиентам широкие возможности для контроля и безопасности.
Получить консультацию
Ответим в течение 1 часа. Предложим оптимальное решение под Ваши задачи и предоставим лучшее коммерческое предложение. Ответим на все Ваши вопросы и расскажем подробнее о нашем оборудовании. Будем на связи!
